Подшипники гост
Интернет-магазин
8-800-250-16-58
Обратный звонок

Заказ обратного звонка




Эл. почта:
info@amost.ru
Свои заказы Корзина пуста





Получать прайс-лист на email:

Чтобы отписаться от рассылки, введите e-mail, на который вы получаете наши письма:

 

Поиск подшипников

Масса и размеры

Внутренний диаметр d, мм

От  до 

Наружный диаметр D, мм

От  до 

Ширина b, мм

Применяемость

Раздел каталога

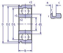
Подшипник шариковый радиальный однорядный с канавкой на наружном кольце

50306 АЕ5УШ1 ТУ ВНИПП.154

Отечественный
Импортный

Производитель



уточнять наличие
Обозначение 50306 АЕ5УШ1 ТУ ВНИПП.154
Внутренний диаметр, d (мм) 30
Наружный диаметр, D (мм) 72
Ширина, В (мм) 19
Масса, m (кг) 0.337
Грузоподъемность динамическая, C (kN) 28.1
Грузоподъемность статическая, Co (kN) 14.6
Ном. частота вращен. при пластич. смазке, n grease (1/min) 9000
Марка стали, Материал ШХ-15
Количество шариков, N шариков 8
Ном. частота вращен. при жидк. смазке, n oil (1/min) 11000
Диаметр борта наружного кольца, D1(mm) 59.4
Диаметр борта внутреннего кольца, d1 (mm) 44.6
Радиус фаски, r1, r2 min (мм) 1.1
Толщина борта канавки, a (мм) 3.28
Радиус фаски, r min (мм) 0.5
Ширина канавки, c (мм) 1.9
Диаметр канавки, D2(mm) 68.81
50306 АЕ5УШ1 ТУ ВНИПП.154
Марка Модель Узел Кол-во на узел
Автопогрузчик 4022 Мост передний ведущий 1
Автопогрузчик 4065 Мост передний ведущий 1
ВАЗ 2101 Коробка передач: вал вторичный 1
ВАЗ 2101 Коробка передач: вал вторичный 1
ВАЗ 2102 Коробка передач: вал вторичный 1
ВАЗ 2102 Коробка передач: вал вторичный 1
ВАЗ 2103 Коробка передач: вал вторичный 1
ВАЗ 2103 Коробка передач: вал вторичный 1
ВАЗ 2104 Коробка передач: вал вторичный 1
ВАЗ 2105 Коробка передач: вал вторичный 1
ВАЗ 2105 Коробка передач: вал вторичный 1
Подшипники ГАЗ 2106 Коробка передач: вал вторичный 1
Подшипники ГАЗ 2106 Коробка передач: вал вторичный 1
Подшипники ГАЗ 2107 Коробка передач: вал вторичный 1
Подшипники ГАЗ 2107 Коробка передач: вал вторичный 1
Подшипники ГАЗ 2121 Niva Коробка передач: вал вторичный 1
Подшипники ГАЗ 2121 Niva Коробка передач: вал вторичный 1
Подшипники ГАЗ 2121 Niva Мост передний 2
Подшипники ГАЗ 2121 Niva Коробка раздаточная: вал промежуточный 1
Подшипники ГАЗ 2121 Niva Коробка раздаточная: вал ведущий 1
Подшипники ГАЗ 2121 Niva Коробка раздаточная: вал ведущий 1
Подшипники ГАЗ 2121 Niva Коробка раздаточная: вал первичный -
Подшипники ГАЗ 2121 Niva Мост передний: полуось -
Подшипники ГАЗ 21213 Коробка передач: вал вторичный -
Подшипники ГАЗ 21213 Коробка раздаточная: вал промежуточный -
Подшипники ГАЗ 21213 Коробка раздаточная: вал ведущий -
Подшипники ГАЗ 21213 Корпус шарнира внутреннего -
Подшипники ГАЗ 27057 Коробка раздаточная: вал первичный 1
Подшипники ГАЗ 32217 Коробка раздаточная: вал первичный 1
Подшипники ГАЗ 322172 Коробка раздаточная: вал первичный 1
Подшипники ГАЗ 322173 Коробка раздаточная: вал первичный 1
Подшипники ГАЗ 33027 Коробка раздаточная: вал первичный 1
Подшипники ГАЗ 330273 Коробка раздаточная: вал первичный 1
ЕрАЗ 3730 Коробка передач 2
ЕрАЗ 3730 Коробка передач 2
ЕрАЗ 37301 Коробка передач 2
ЕрАЗ 37301 Коробка передач 2
ЕрАЗ 37302 Коробка передач 2
ЕрАЗ 37302 Коробка передач 2
ЕрАЗ 37304 Коробка передач 2
ЕрАЗ 37304 Коробка передач 2
ЕрАЗ 37305 Коробка передач 2
ЕрАЗ 37305 Коробка передач 2
ЕрАЗ 762В Коробка передач 1
ЕрАЗ 762В Коробка передач 1
Москвич ИЖ-2126 Коробка передач: вал вторичный, опора задняя -
Трактор МТЗ-50 Вал отбора мощности боковой: опора задняя 1
Трактор МТЗ-50 Вал отбора мощности задний: вал ведомый привода, опора передняя 1
Трактор МТЗ-50Л Вал отбора мощности боковой: опора задняя 1
Трактор МТЗ-50Л Вал отбора мощности задний: вал ведомый привода, опора передняя 1
Трактор МТЗ-50ПЛ Вал отбора мощности боковой: опора задняя 1
Трактор МТЗ-50ПЛ Вал отбора мощности задний: вал ведомый привода, опора передняя 1
Трактор МТЗ-52 Вал отбора мощности боковой: опора задняя 1
Трактор МТЗ-52 Вал отбора мощности задний: вал ведомый привода, опора передняя 1
Трактор МТЗ-52Л Вал отбора мощности боковой: опора задняя 1
Трактор МТЗ-52Л Вал отбора мощности задний: вал ведомый привода, опора передняя 1
Трактор МТЗ-80 Вал отбора мощности боковой: опора задняя 1
Трактор МТЗ-80 Вал отбора мощности боковой: опора задняя 1
Трактор МТЗ-80 Вал отбора мощности задний: вал привода 1
Трактор МТЗ-80 Вал отбора мощности задний: вал привода 1
Трактор МТЗ-80Л Вал отбора мощности задний: вал привода 1
Трактор МТЗ-80Л Вал отбора мощности задний: вал привода 1
Трактор МТЗ-82 Вал отбора мощности боковой: опора задняя 1
Трактор МТЗ-82 Вал отбора мощности боковой: опора задняя 1
Трактор МТЗ-82 Вал отбора мощности задний: вал привода 1
Трактор МТЗ-82 Вал отбора мощности задний: вал привода 1
Трактор МТЗ-82Л Вал отбора мощности боковой: опора задняя -
Трактор МТЗ-82Л Вал отбора мощности боковой: опора задняя 1
Трактор МТЗ-82Л Вал отбора мощности боковой: опора задняя 1
Трактор МТЗ-82Л Вал отбора мощности задний: вал привода 1
Трактор МТЗ-82Л Вал отбора мощности задний: вал привода 1
УАЗ 2206 Коробка передач 1
УАЗ 2206 Коробка передач: вал промежуточный 1
УАЗ 2206 Коробка раздаточная 4
УАЗ 2206 Коробка раздаточная 3
УАЗ 3151 Коробка передач 1
УАЗ 3151 Коробка раздаточная 4
УАЗ 31512 Коробка передач: вал промежуточный 1
УАЗ 31512 Коробка раздаточная 3
УАЗ 31514 Коробка передач: вал промежуточный 1
УАЗ 31514 Коробка раздаточная 3
УАЗ 3153 Коробка передач: вал промежуточный 1
УАЗ 3153 Коробка раздаточная 3
УАЗ 3160 Коробка раздаточная: вал привода -
УАЗ 3160 Коробка передач (IV): вал промежуточный, опора задняя -
УАЗ 3160 Коробка передач (V): вал промежуточный, опора задняя -
УАЗ 31601 Коробка раздаточная: вал привода -
УАЗ 31601 Коробка передач (IV): вал промежуточный, опора задняя -
УАЗ 31601 Коробка передач (V): вал промежуточный, опора задняя -
УАЗ 31604 Коробка раздаточная: вал привода -
УАЗ 31604 Коробка передач (IV): вал промежуточный, опора задняя -
УАЗ 31604 Коробка передач (V): вал промежуточный, опора задняя -
УАЗ 31605 Коробка раздаточная: вал привода -
УАЗ 31605 Коробка передач (IV): вал промежуточный, опора задняя -
УАЗ 31605 Коробка передач (V): вал промежуточный, опора задняя -
УАЗ 3303 Коробка передач 1
УАЗ 3303 Коробка передач: вал промежуточный 1
УАЗ 3303 Коробка раздаточная 4
УАЗ 3303 Коробка раздаточная 3
УАЗ 33036 Коробка передач: вал промежуточный 1
УАЗ 33036 Коробка раздаточная 3
УАЗ 3741 Коробка передач 1
УАЗ 3741 Коробка передач: вал промежуточный 1
УАЗ 3741 Коробка раздаточная 4
УАЗ 3741 Коробка раздаточная 3
УАЗ 3909 Коробка передач: вал промежуточный 1
УАЗ 3909 Коробка раздаточная 3
УАЗ 39094 Коробка передач: вал промежуточный -
УАЗ 39094 Коробка раздаточная -
УАЗ 39095 Коробка передач: вал промежуточный -
УАЗ 39095 Коробка раздаточная -
УАЗ 3962 Коробка передач 1
УАЗ 3962 Коробка передач: вал промежуточный 1
УАЗ 3962 Коробка раздаточная 4
УАЗ 3962 Коробка раздаточная 3
УАЗ 451ДМ Коробка передач 2
УАЗ 451ДМ Коробка передач 2
УАЗ 451М Коробка передач 2
УАЗ 451М Коробка передач 2
УАЗ 452 Коробка передач 1
УАЗ 452 Коробка передач 1
УАЗ 452 Коробка раздаточная 4
УАЗ 452 Коробка раздаточная 4
УАЗ 452 фургон Коробка передач 1
УАЗ 452 фургон Коробка раздаточная 4
УАЗ 452А Коробка передач 1
УАЗ 452А Коробка передач 1
УАЗ 452А Коробка раздаточная 4
УАЗ 452А Коробка раздаточная 4
УАЗ 452В Коробка передач 1
УАЗ 452В Коробка передач 1
УАЗ 452В Коробка раздаточная 4
УАЗ 452В Коробка раздаточная 4
УАЗ 452Д Коробка передач 1
УАЗ 452Д Коробка передач 1
УАЗ 452Д Коробка раздаточная 4
УАЗ 452Д Коробка раздаточная 4
УАЗ 469 Коробка передач 1
УАЗ 469 Коробка передач 1
УАЗ 469 Коробка раздаточная 4
УАЗ 469 Коробка раздаточная 4
УАЗ 469Б Коробка передач 1
УАЗ 469Б Коробка передач 1
УАЗ 469Б Коробка раздаточная 4
УАЗ 469Б Коробка раздаточная 4
УАЗ 469БГ Коробка передач 1
УАЗ 469БГ Коробка передач 1
УАЗ 469БГ Коробка раздаточная 4
УАЗ 469БГ Коробка раздаточная 4
УАЗ 469М Коробка передач 1
УАЗ 469М Коробка передач 1
УАЗ 469М Коробка раздаточная 4
УАЗ 469М Коробка раздаточная 4
Бренд Обозначение
ГПЗ 50306
SKF 6306N
FAG 6306N
NSK 6306N
Товар добавлен в корзину
Перейти в корзину ×