Подшипники гост
Интернет-магазин
8-800-250-16-58
Обратный звонок

Заказ обратного звонка




Эл. почта:
info@amost.ru
Свои заказы Корзина пуста





Получать прайс-лист на email:

Чтобы отписаться от рассылки, введите e-mail, на который вы получаете наши письма:

 

Поиск подшипников

Масса и размеры

Внутренний диаметр d, мм

От  до 

Наружный диаметр D, мм

От  до 

Ширина b, мм

Применяемость

Раздел каталога

Подшипник шариковый радиальный однорядный с канавкой на наружном кольце

50307 ГОСТ 520

Отечественный
Импортный

Производитель



уточнять наличие
Обозначение 50307 ГОСТ 520
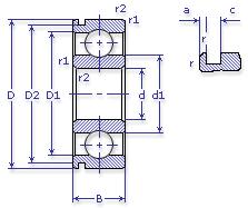
Внутренний диаметр, d (мм) 35
Наружный диаметр, D (мм) 80
Ширина, В (мм) 21
Масса, m (кг) 0.43
Грузоподъемность динамическая, C (kN) 33.2
Грузоподъемность статическая, Co (kN) 18
Ном. частота вращен. при пластич. смазке, n grease (1/min) 8500
Марка стали, Материал ШХ-15
Диаметр шарика, d шарика (мм) 14.288
Количество шариков, N шариков 7
Ном. частота вращен. при жидк. смазке, n oil (1/min) 10000
Диаметр борта наружного кольца, D1(mm) 66.1
Диаметр борта внутреннего кольца, d1 (mm) 48.9
Радиус фаски, r1, r2 min (мм) 1.5
Толщина борта канавки, a (мм) 3.28
Радиус фаски, r min (мм) 0.5
Ширина канавки, c (мм) 1.9
Диаметр канавки, D2(mm) 76.81
50307 ГОСТ 520
Марка Модель Узел Кол-во на узел
Подшипники ГАЗ 27057 Коробка раздаточная: вал промежуточный, опора передняя 1
Подшипники ГАЗ 32217 Коробка раздаточная: вал промежуточный, опора передняя 1
Подшипники ГАЗ 322172 Коробка раздаточная: вал промежуточный, опора передняя 1
Подшипники ГАЗ 322173 Коробка раздаточная: вал промежуточный, опора передняя 1
Подшипники ГАЗ 33027 Коробка раздаточная: вал промежуточный, опора передняя 1
Подшипники ГАЗ 330273 Коробка раздаточная: вал промежуточный, опора передняя 1
Подшипники ГАЗ 3307 Коробка передач 2
ГАЗ 53-112 Коробка передач -
ГАЗ 53-12 Коробка передач 2
ГАЗ 53А Коробка передач 2
ГАЗ 53А Коробка передач: вал вторичный 1
ГАЗ 53А Коробка передач: вал промежуточный, опора задняя блока шестерен 1
ГАЗ 53Б Коробка передач 2
ГАЗ 66 Коробка передач 2
ГАЗ 66 Коробка раздаточная 5
ГАЗ 66-11 Коробка передач 2
ГАЗ 66-11 Коробка раздаточная 5
ГАЗ 66-12 Коробка передач 2
ГАЗ 66-12 Коробка раздаточная 5
ГАЗ САЗ 3502 Коробка передач 2
ГАЗ САЗ 3503 Коробка передач 2
ГАЗ САЗ 53Б Коробка передач 2
ЗИЛ 131В Коробка отбора мощности 1
ЗИЛ 131М Коробка отбора мощности 1
ЗИЛ 131МВ Коробка отбора мощности 1
ЗИЛ 131Н Коробка отбора мощности 1
ЗИЛ 131НВ Коробка отбора мощности 1
ЗИЛ 137Б Коробка отбора мощности 1
ЗИЛ 4331 Коробка передач 1
КАвЗ 685М Коробка передач 2
ПАЗ 3201 Коробка передач 2
ПАЗ 3201 Коробка раздаточная 5
ПАЗ 3205 Коробка передач 2
ПАЗ 3205 Коробка передач: вал промежуточный, опора задняя блока шестерен 1
ПАЗ 672 Коробка передач 2
ПАЗ 672 Коробка раздаточная 5
САЗ 3502 Коробка передач -
САЗ 3507 Коробка передач -
УРАЛ 375Д Коробка отбора мощности 1
УРАЛ 375ДМ Коробка отбора мощности 1
УРАЛ 5557 Коробка отбора мощности 2
Бренд Обозначение
ГПЗ 50307
SKF 6307N
FAG 6307N
NSK 6307N
Товар добавлен в корзину
Перейти в корзину ×