Подшипники гост
Интернет-магазин
8-800-250-16-58
Обратный звонок

Заказ обратного звонка




Эл. почта:
info@amost.ru
Свои заказы Корзина пуста





Получать прайс-лист на email:

Чтобы отписаться от рассылки, введите e-mail, на который вы получаете наши письма:

 

Поиск подшипников

Масса и размеры

Внутренний диаметр d, мм

От  до 

Наружный диаметр D, мм

От  до 

Ширина b, мм

Применяемость

Раздел каталога

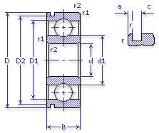
Подшипник шариковый радиальный однорядный с канавкой на наружном кольце

50309 ТУ 37.006.087

Отечественный
Импортный

Производитель



уточнять наличие
Обозначение 50309 ТУ 37.006.087
Внутренний диаметр, d (мм) 45
Наружный диаметр, D (мм) 100
Ширина, В (мм) 25
Масса, m (кг) 0.787
Грузоподъемность динамическая, C (kN) 52.7
Грузоподъемность статическая, Co (kN) 31.5
Ном. частота вращен. при пластич. смазке, n grease (1/min) 6700
Диаметр шарика, d шарика (мм) 17.462
Количество шариков, N шариков 8
Ном. частота вращен. при жидк. смазке, n oil (1/min) 8000
50309 ТУ 37.006.087
Марка Модель Узел Кол-во на узел
БелАЗ 549(75т) Коробка отбора мощности 2
БелАЗ 7420-9590 Вентилятор: редуктор привода 1
БелАЗ 7509 Коробка отбора мощности 4
БелАЗ 75091(75т) Коробка отбора мощности 4
БелАЗ 7519 Коробка отбора мощности 1
БелАЗ 75191(110т) Коробка отбора мощности 4
БелАЗ 75211(180т) Коробка отбора мощности 1
ГАЗ 66 Коробка раздаточная 1
ГАЗ 66-01 Коробка раздаточная: вал вторичный 1
ГАЗ 66-02 Коробка раздаточная: вал вторичный 1
ГАЗ 66-04 Коробка раздаточная: вал вторичный 1
ГАЗ 66-05 Коробка раздаточная: вал вторичный 1
ГАЗ 66-11 Коробка раздаточная 1
ГАЗ 66-12 Коробка раздаточная 1
ЗИЛ 137Б Спецоборудование 1
ЗИЛ 137Б Спецоборудование и генератор 1
ПАЗ 3201 Коробка раздаточная 1
ПАЗ 672 Коробка раздаточная 1
САЗ 3502 Коробка раздаточная: вал вторичный 1
САЗ 3507 Коробка раздаточная: вал вторичный 1
Трактор МТЗ-100 Корпус КП: опоры задние левого и правого валов пониженных передач -
Трактор МТЗ-102 Корпус КП: опоры задние левого и правого валов пониженных передач -
Бренд Обозначение
ГПЗ 50309
SKF 6309N
FAG 6309N
NSK 6309N
Товар добавлен в корзину
Перейти в корзину ×