Подшипники гост
Интернет-магазин
8-800-250-16-58
Обратный звонок

Заказ обратного звонка




Эл. почта:
info@amost.ru
Свои заказы Корзина пуста





Получать прайс-лист на email:

Чтобы отписаться от рассылки, введите e-mail, на который вы получаете наши письма:

 

Поиск подшипников

Масса и размеры

Внутренний диаметр d, мм

От  до 

Наружный диаметр D, мм

От  до 

Ширина b, мм

Применяемость

Раздел каталога

Подшипник шариковый радиальный однорядный с канавкой на наружном кольце

50310 А ГОСТ 520

Отечественный
Импортный
Цена: 330.00 руб

Производитель



в наличии
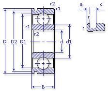
Обозначение 50310 А ГОСТ 520
Внутренний диаметр, d (мм) 50
Наружный диаметр, D (мм) 110
Ширина, В (мм) 27
Масса, m (кг) 1.06
Грузоподъемность динамическая, C (kN) 61.8
Грузоподъемность статическая, Co (kN) 36
Ном. частота вращен. при пластич. смазке, n grease (1/min) 6300
Марка стали, Материал ШХ-15
Диаметр шарика, d шарика (мм) 19.05
Количество шариков, N шариков 8
Ном. частота вращен. при жидк. смазке, n oil (1/min) 7500
Диаметр борта наружного кольца, D1(mm) 91.4
Диаметр борта внутреннего кольца, d1 (mm) 68.7
Радиус фаски, r1, r2 min (мм) 2
Толщина борта канавки, a (мм) 3.28
Радиус фаски, r min (мм) 0.8
Ширина канавки, c (мм) 2.7
Диаметр канавки, D2(mm) 99.06
50310 А ГОСТ 520
Марка Модель Узел Кол-во на узел
Автопогрузчик 4014 Грузоподъемник 1
Автопогрузчик 4016 Грузоподъемник 1
Автопогрузчик 4017 Грузоподъемник 1
ЗИЛ 130 Коробка передач 1
ЗИЛ 130-77 Коробка передач 1
ЗИЛ 131В Коробка передач 1
ЗИЛ 131В Коробка передач: вал вторичный, опора задняя 1
ЗИЛ 131Н Коробка передач 1
ЗИЛ 131Н Коробка передач: вал вторичный, опора задняя 1
ЗИЛ 131НВ Коробка передач 1
ЗИЛ 131НВ Коробка передач: вал вторичный, опора задняя 1
ЗИЛ 133Г1 Коробка передач 1
ЗИЛ 137Б Коробка передач 2
ЗИЛ 157КД Коробка передач 1
ЗИЛ 431410 Коробка передач: вал вторичный, опора задняя 1
ЗИЛ 431510 Коробка передач: вал вторичный, опора задняя 1
ЗИЛ 433110 Коробка передач: вал вторичный, опора задняя 1
ЗИЛ 433360 Коробка передач: вал вторичный, опора задняя 1
ЗИЛ 441510 Коробка передач: вал вторичный, опора задняя 1
ЗИЛ 442160 Коробка передач: вал вторичный, опора задняя 1
ЗИЛ 494560 Коробка передач: вал вторичный, опора задняя 1
ЗИЛ 495710 Коробка передач: вал вторичный, опора задняя 1
ЗИЛ 495810 Коробка передач: вал вторичный, опора задняя 1
ЗИЛ 5301 Бычок Коробка передач 1
КАЗ 4540 Коробка раздаточная 2
КАЗ 608В Коробка передач 1
КамАЗ 4310 Коробка раздаточная 1
КамАЗ 43105 Коробка раздаточная 1
ЛАЗ 695Е Коробка передач 1
ЛАЗ 695Н Коробка передач 1
ЛАЗ 697Р Коробка передач 1
Трактор Т-74 Коробка передач -
Трактор Т-75 Коробка передач: вал промежуточный 1
Бренд Обозначение
ГПЗ 50310
SKF 6310N
FAG 6310N
NSK 6310N
Товар добавлен в корзину
Перейти в корзину ×