Подшипники гост
Интернет-магазин
8-800-250-16-58
Обратный звонок

Заказ обратного звонка




Эл. почта:
info@amost.ru
Свои заказы Корзина пуста





Получать прайс-лист на email:

Чтобы отписаться от рассылки, введите e-mail, на который вы получаете наши письма:

 

Поиск подшипников

Масса и размеры

Внутренний диаметр d, мм

От  до 

Наружный диаметр D, мм

От  до 

Ширина b, мм

Применяемость

Раздел каталога

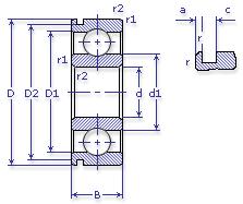
Подшипник шариковый радиальный однорядный с канавкой на наружном кольце

50314 ГОСТ 520

Отечественный
Импортный

Производитель



уточнять наличие
Обозначение 50314 ГОСТ 520
Внутренний диаметр, d (мм) 70
Наружный диаметр, D (мм) 150
Ширина, В (мм) 35
Масса, m (кг) 2.5400
Грузоподъемность динамическая, C (kN) 104
Грузоподъемность статическая, Co (kN) 68
Ном. частота вращен. при пластич. смазке, n grease (1/min) 4500
Марка стали, Материал ШХ-15
Диаметр шарика, d шарика (мм) 25.4
Количество шариков, N шариков 8
Ном. частота вращен. при жидк. смазке, n oil (1/min) 5300
50314 ГОСТ 520
Марка Модель Узел Кол-во на узел
МоАЗ 6507 Картер гибкой муфты 1
Бренд Обозначение
ГПЗ 50314
SKF 6314N
FAG 6314N
NSK 6314N
Товар добавлен в корзину
Перейти в корзину ×