Подшипники гост
Интернет-магазин
8-800-250-16-58
Обратный звонок

Заказ обратного звонка




Эл. почта:
info@amost.ru
Свои заказы Корзина пуста





Получать прайс-лист на email:

Чтобы отписаться от рассылки, введите e-mail, на который вы получаете наши письма:

 

Поиск подшипников

Масса и размеры

Внутренний диаметр d, мм

От  до 

Наружный диаметр D, мм

От  до 

Ширина b, мм

Применяемость

Раздел каталога

Подшипник шариковый радиальный однорядный с канавкой на наружном кольце

50410 ГОСТ 520

Отечественный
Импортный

Производитель



уточнять наличие
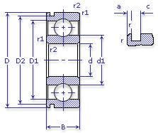
Обозначение 50410 ГОСТ 520
Внутренний диаметр, d (мм) 50
Наружный диаметр, D (мм) 130
Ширина, В (мм) 31
Масса, m (кг) 1.88
Грузоподъемность динамическая, C (kN) 87.1
Грузоподъемность статическая, Co (kN) 52
Ном. частота вращен. при пластич. смазке, n grease (1/min) 5300
Марка стали, Материал ШХ-15
Диаметр шарика, d шарика (мм) 24.606
Количество шариков, N шариков 7
Ном. частота вращен. при жидк. смазке, n oil (1/min) 6300
50410 ГОСТ 520
Марка Модель Узел Кол-во на узел
ЗИЛ 131М Коробка передач 1
ЗИЛ 131М Коробка передач 1
ЗИЛ 131МВ Коробка передач 1
ЗИЛ 131МВ Коробка передач 1
ЗИЛ 133ВЯ Мост задний 1
ЗИЛ 133ВЯ Мост средний 1
ЗИЛ 133Г1 Мост задний 1
ЗИЛ 133Г1 Мост средний 1
ЗИЛ 133ГЯ Мост задний 1
ЗИЛ 133ГЯ Мост средний 1
ЛиАЗ 5256 Коробка передач гидромеханическая 1
Бренд Обозначение
ГПЗ 50410
SKF 6410N
FAG 6410N
NSK 6410N
Товар добавлен в корзину
Перейти в корзину ×