Подшипники гост
Интернет-магазин
8-800-250-16-58
Обратный звонок

Заказ обратного звонка




Эл. почта:
info@amost.ru
Свои заказы Корзина пуста





Получать прайс-лист на email:

Чтобы отписаться от рассылки, введите e-mail, на который вы получаете наши письма:

 

Поиск подшипников

Масса и размеры

Внутренний диаметр d, мм

От  до 

Наружный диаметр D, мм

От  до 

Ширина b, мм

Применяемость

Раздел каталога

Подшипник шариковый радиальный однорядный с канавкой на наружном кольце

50413 АЛШ ГОСТ 520

Отечественный
Импортный

Производитель



уточнять наличие
Обозначение 50413 АЛШ ГОСТ 520
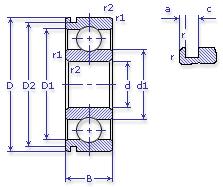
Внутренний диаметр, d (мм) 65
Наружный диаметр, D (мм) 160
Ширина, В (мм) 37
Масса, m (кг) 3.4
Грузоподъемность динамическая, C (kN) 119
Грузоподъемность статическая, Co (kN) 78.1
Ном. частота вращен. при пластич. смазке, n grease (1/min) 4500
Марка стали, Материал ШХ-15
Количество шариков, N шариков 7
Ном. частота вращен. при жидк. смазке, n oil (1/min) 5300
Диаметр борта наружного кольца, D1(mm) 133.9
Диаметр борта внутреннего кольца, d1 (mm) 91.1
Радиус фаски, r1, r2 min (мм) 2.1
Толщина борта канавки, a (мм) 4.9
Радиус фаски, r min (мм) 0.8
Ширина канавки, c (мм) 3.1
Диаметр канавки, D2(mm) 155.22
50413 АЛШ ГОСТ 520
Марка Модель Узел Кол-во на узел
КамАЗ 4310 Коробка раздаточная 1
КамАЗ 43105 Коробка раздаточная 1
Бренд Обозначение
ГПЗ 50413
SKF 6413N
FAG 6413N
NSK 6413N
Товар добавлен в корзину
Перейти в корзину ×