Подшипники гост
Интернет-магазин
8-800-250-16-58
Обратный звонок

Заказ обратного звонка




Эл. почта:
info@amost.ru
Свои заказы Корзина пуста





Получать прайс-лист на email:

Чтобы отписаться от рассылки, введите e-mail, на который вы получаете наши письма:

 

Поиск подшипников

Масса и размеры

Внутренний диаметр d, мм

От  до 

Наружный диаметр D, мм

От  до 

Ширина b, мм

Применяемость

Раздел каталога

Подшипник шариковый радиальный однорядный с канавкой на наружном кольце

50706 АЕ1 ГОСТ 520

Отечественный
Импортный

Производитель



уточнять наличие
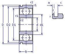
Обозначение 50706 АЕ1 ГОСТ 520
Внутренний диаметр, d (мм) 30
Наружный диаметр, D (мм) 75
Ширина, В (мм) 19
Масса, m (кг) 0.39
Грузоподъемность динамическая, C (kN) 26
Грузоподъемность статическая, Co (kN) 17.6
Ном. частота вращен. при пластич. смазке, n grease (1/min) 8000
Марка стали, Материал ШХ-15
Диаметр шарика, d шарика (мм) 14.288
Количество шариков, N шариков 7
Ном. частота вращен. при жидк. смазке, n oil (1/min) 10000
Диаметр борта наружного кольца, D1(mm) 63
Диаметр борта внутреннего кольца, d1 (mm) 49.8
Радиус фаски, r1, r2 min (мм) 1.1
Толщина борта канавки, a (мм) 3.28
Радиус фаски, r min (мм) 0.5
Ширина канавки, c (мм) 1.9
Диаметр канавки, D2(mm) 71.83
50706 АЕ1 ГОСТ 520
Марка Модель Узел Кол-во на узел
ВАЗ 2101 Коробка передач: вал первичный 1
ВАЗ 2102 Коробка передач: вал первичный 1
ВАЗ 2103 Коробка передач: вал первичный 1
ВАЗ 2104 Коробка передач: вал первичный 1
ВАЗ 2105 Коробка передач: вал первичный 1
Подшипники ГАЗ 2106 Коробка передач: вал первичный 1
Подшипники ГАЗ 2107 Коробка передач: вал первичный 1
Подшипники ГАЗ 2121 Niva Коробка передач: вал первичный 1
Подшипники ГАЗ 2121 Niva Коробка раздаточная: вал ведущий 1
Подшипники ГАЗ 2121 Niva Коробка раздаточная: вал первичный -
Подшипники ГАЗ 22171 Коробка передач: вал вторичный, опора задняя 1
Подшипники ГАЗ 24 Коробка передач 2
Подшипники ГАЗ 24 Коробка передач: вал вторичный 1
Подшипники ГАЗ 24 Коробка передач: вал первичный 1
Подшипники ГАЗ 24-10 Коробка передач 2
Подшипники ГАЗ 24-10 Коробка передач: вал вторичный 1
Подшипники ГАЗ 24-10 Коробка передач: вал первичный 1
Подшипники ГАЗ 24-11 Коробка передач 2
Подшипники ГАЗ 24-11 Коробка передач: вал вторичный 1
Подшипники ГАЗ 24-11 Коробка передач: вал первичный 1
Подшипники ГАЗ 24-12 Коробка передач 2
Подшипники ГАЗ 24-13 Коробка передач 2
Подшипники ГАЗ 2752 Соболь Коробка передач: вал вторичный, опора задняя 1
Подшипники ГАЗ 31022 Коробка передач: вал вторичный 1
Подшипники ГАЗ 31022 Коробка передач: вал вторичный 2
Подшипники ГАЗ 31022 Коробка передач: вал первичный 1
Подшипники ГАЗ 31023 Коробка передач: вал вторичный 2
Подшипники ГАЗ 31029 Коробка передач: вал вторичный 1
Подшипники ГАЗ 31029 Коробка передач: вал вторичный 2
Подшипники ГАЗ 31029 Коробка передач: вал первичный 1
Подшипники ГАЗ 3110 Коробка передач 2
Подшипники ГАЗ 31105 Коробка передач: вал вторичный -
ГАЗ Соболь 2217 Коробка передач: вал вторичный, опора задняя 1
Москвич ИЖ-2126 Коробка передач: вал первичный, опора задняя -
РАФ 2203 Коробка передач 2
РАФ 22031 Коробка передач 2
РАФ 22032 Коробка передач 2
РАФ 22035 Коробка передач 2
РАФ 22038 Коробка передач 2
Товар добавлен в корзину
Перейти в корзину ×