Подшипники гост
Интернет-магазин
8-800-250-16-58
Обратный звонок

Заказ обратного звонка




Эл. почта:
info@amost.ru
Свои заказы Корзина пуста





Получать прайс-лист на email:

Чтобы отписаться от рассылки, введите e-mail, на который вы получаете наши письма:

 

Поиск подшипников

Масса и размеры

Внутренний диаметр d, мм

От  до 

Наружный диаметр D, мм

От  до 

Ширина b, мм

Применяемость

Раздел каталога

Подшипник шариковый радиальный однорядный основного конструктивного исполнения

314 ГОСТ 520

Отечественный
Импортный
Цена: 729.00 руб

Производитель



под заказ
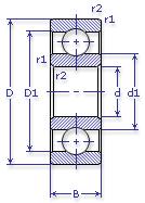
Обозначение 314 ГОСТ 520
Внутренний диаметр, d (мм) 70
Наружный диаметр, D (мм) 150
Ширина, В (мм) 35
Масса, m (кг) 2.37
Грузоподъемность динамическая, C (kN) 104
Грузоподъемность статическая, Co (kN) 63
Ном. частота вращен. при пластич. смазке, n grease (1/min) 4500
Диаметр шарика, d шарика (мм) 25.4
Количество шариков, N шариков 8
Ном. частота вращен. при жидк. смазке, n oil (1/min) 5300
Диаметр борта наружного кольца, D1(mm) 125.2
Диаметр борта внутреннего кольца, d1 (mm) 94.6
Радиус фаски, r1, r2 min (мм) 2.1
314 ГОСТ 520

Этот подшипник может быть заменен другими:

Подшипник 50314 — Условие отсутствует

Подшипник 60314 — При условии демонтажа одной защитной шайбы

Подшипник 160314 — При условии демонтажа одной защитной шайбы

Подшипник 150314 — При условии демонтажа одной защитной шайбы (п/ш с канавкой)

Подшипник 80314 — При условии демонтажа 2-х защитных шайб

Подшипник 180314 — При условии демонтажа 2-х защитных шайб

Подшипник 450314 — При условии демонтажа 2-х защитных шайб

Марка Модель Узел Кол-во на узел
Комбайн КСК-100А/А1 Контрпривод главный -
МАЗ 538 Коробка дополнительная 2
МАЗ 547 Передача повышающая 1
МоАЗ 546П-Д357П Коробка дополнительная 1
МоАЗ 6401-9585 Коробка передач гидромеханическая 4
МоАЗ 6507 Коробка передач гидромеханическая 5
МоАЗ 7405-9586 Коробка отбора мощности 3
МоАЗ 7405-9586 Коробка передач гидромеханическая 3
Трактор МТЗ-100 Мост задний: полуось, опора внутренняя -
Трактор МТЗ-102 Мост задний: полуось, опора внутренняя -
Бренд Обозначение
ГПЗ 314
SKF 6314
FAG 6314
NSK 6314
Товар добавлен в корзину
Перейти в корзину ×