Подшипники гост
Интернет-магазин
8-800-250-16-58
Обратный звонок

Заказ обратного звонка




Эл. почта:
info@amost.ru
Свои заказы Корзина пуста





Получать прайс-лист на email:

Чтобы отписаться от рассылки, введите e-mail, на который вы получаете наши письма:

 

Поиск подшипников

Масса и размеры

Внутренний диаметр d, мм

От  до 

Наружный диаметр D, мм

От  до 

Ширина b, мм

Применяемость

Раздел каталога

Подшипник шариковый радиальный однорядный основного конструктивного исполнения

104 ГОСТ 520

Отечественный
Импортный

Производитель



уточнять наличие
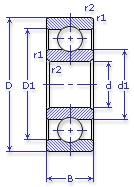
Обозначение 104 ГОСТ 520
Внутренний диаметр, d (мм) 20
Наружный диаметр, D (мм) 42
Ширина, В (мм) 12
Масса, m (кг) 0.07
Грузоподъемность динамическая, C (kN) 9.36
Грузоподъемность статическая, Co (kN) 4.5
Ном. частота вращен. при пластич. смазке, n grease (1/min) 17000
Диаметр шарика, d шарика (мм) 6.35
Количество шариков, N шариков 9
Ном. частота вращен. при жидк. смазке, n oil (1/min) 20000
104 ГОСТ 520

Этот подшипник может быть заменен другими:

Подшипник 50104 — Условие отсутствует

Подшипник 60104 — При условии демонтажа одной защитной шайбы

Подшипник 160104 — При условии демонтажа одной защитной шайбы

Подшипник 150104 — При условии демонтажа одной защитной шайбы (п/ш с канавкой)

Подшипник 80104 — При условии демонтажа 2-х защитных шайб

Подшипник 180104 — При условии демонтажа 2-х защитных шайб

Подшипник 450104 — При условии демонтажа 2-х защитных шайб

Марка Модель Узел Кол-во на узел
Подшипники ГАЗ 2110 Управление рулевое: шестерня 1
Подшипники ГАЗ 2111 Управление рулевое: шестерня 1
Подшипники ГАЗ 2112 Управление рулевое: опора шестерни 1
Подшипники ГАЗ 2112 Управление рулевое: шестерня 1
Подшипники ГАЗ 3301 Двигатель 1
Подшипники ГАЗ 3306 Двигатель: муфта опережения впрыска топлива 1
ГАЗ 3309 Двигатель: привод насоса топливного высокого давления 1
ГАЗ 4301 Двигатель 1
ГАЗ 4301 Двигатель: муфта опережения впрыска топлива 1
ГАЗ 4509 Двигатель: муфта опережения впрыска топлива 1
ГАЗ САЗ 4509 Двигатель 1
МАЗ 547 Двигатель: система охлаждения 1
МАЗ 7410 Насос водяной 1
Мототехника ИЖ-П3 Коробка передач: вал первичный -
Мототехника ИЖ-П4 Коробка передач: вал первичный -
Мототехника ИЖ-П5 Коробка передач: вал первичный -
Мототехника ИЖ-ПС Коробка передач: вал первичный -
Мототехника ИЖ-Ю Коробка передач: вал первичный -
Мототехника ИЖ-Ю2 Коробка передач: вал первичный -
Мототехника ИЖ-Ю3 Коробка передач: вал первичный -
Мототехника ИЖ-Ю5 Коробка передач: вал первичный -
Мототехника Минск ММВЗ-3.11211 Коробка передач: вал вторичный -
Мототехника Минск ММВЗ-3.1135 Коробка передач: вал вторичный -
Мототехника Мокик ИЖ2.673 Коробка передач: вал вторичный -
Трактор Т-25 Гидронасос: привод 2
Трактор Т-25А Гидронасос: привод -
Бренд Обозначение
ГПЗ 104
SKF 6004
FAG 6004
NSK 6004
Товар добавлен в корзину
Перейти в корзину ×