Подшипники гост
Интернет-магазин
8-800-250-16-58
Обратный звонок

Заказ обратного звонка




Эл. почта:
info@amost.ru
Свои заказы Корзина пуста





Получать прайс-лист на email:

Чтобы отписаться от рассылки, введите e-mail, на который вы получаете наши письма:

 

Поиск подшипников

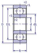
Масса и размеры

Внутренний диаметр d, мм

От  до 

Наружный диаметр D, мм

От  до 

Ширина b, мм

Применяемость

Раздел каталога

Подшипник шариковый радиальный однорядный основного конструктивного исполнения

605 ГОСТ 520

Отечественный
Импортный

Производитель



уточнять наличие
605 ГОСТ 520

Этот подшипник может быть заменен другими:

Подшипник 160605 — При условии демонтажа одной защитной шайбы

Подшипник 180605 — При условии демонтажа 2-х защитных шайб

Товар добавлен в корзину
Перейти в корзину ×