Подшипники гост
Интернет-магазин
8-800-250-16-58
Обратный звонок

Заказ обратного звонка




Эл. почта:
info@amost.ru
Свои заказы Корзина пуста





Получать прайс-лист на email:

Чтобы отписаться от рассылки, введите e-mail, на который вы получаете наши письма:

 

Поиск подшипников

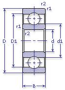
Масса и размеры

Внутренний диаметр d, мм

От  до 

Наружный диаметр D, мм

От  до 

Ширина b, мм

Применяемость

Раздел каталога

Подшипник шариковый радиальный однорядный

7000102 АШ ГОСТ 520

Отечественный
Импортный

Производитель



уточнять наличие
Обозначение 7000102 АШ ГОСТ 520
Внутренний диаметр, d (мм) 15
Наружный диаметр, D (мм) 32
Ширина, В (мм) 8
Масса, m (кг) 0.0328
Грузоподъемность динамическая, C (kN) 5.6
Грузоподъемность статическая, Co (kN) 2.5
Ном. частота вращен. при пластич. смазке, n grease (1/min) 22000
Диаметр шарика, d шарика (мм) 4.763
Количество шариков, N шариков 8
Ном. частота вращен. при жидк. смазке, n oil (1/min) 28000
7000102 АШ ГОСТ 520
Марка Модель Узел Кол-во на узел
ЗАЗ 1102 Таврия Управление рулевое 2
ЗАЗ 110206 Управление рулевое: шестерня -
ЗАЗ 1103 Управление рулевое: шестерня -
ЗАЗ 1105 Управление рулевое: шестерня -
Трамвайный вагон Т-2 Шарниры плечей и головки 6
Трамвайный вагон Т-3 Шарниры плечей и головки 6
Бренд Обозначение
ГПЗ 7000102
SKF 16002
FAG 16002
NSK 16002
Товар добавлен в корзину
Перейти в корзину ×