Подшипники гост
Интернет-магазин
8-800-250-16-58
Обратный звонок

Заказ обратного звонка




Эл. почта:
info@amost.ru
Свои заказы Корзина пуста





Получать прайс-лист на email:

Чтобы отписаться от рассылки, введите e-mail, на который вы получаете наши письма:

 

Поиск подшипников

Масса и размеры

Внутренний диаметр d, мм

От  до 

Наружный диаметр D, мм

От  до 

Ширина b, мм

Применяемость

Раздел каталога

Подшипник шариковый радиальный однорядный

7000103 АШ1 ГОСТ 520

Отечественный
Импортный
Цена: 78.00 руб

Производитель



под заказ
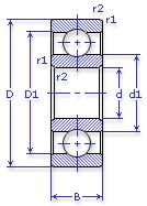
Обозначение 7000103 АШ1 ГОСТ 520
Внутренний диаметр, d (мм) 17
Наружный диаметр, D (мм) 35
Ширина, В (мм) 8
Масса, m (кг) 0.0500
Грузоподъемность динамическая, C (kN) 6
Грузоподъемность статическая, Co (kN) 2.8
Ном. частота вращен. при пластич. смазке, n grease (1/min) 19000
Диаметр шарика, d шарика (мм) 5.159
Количество шариков, N шариков 9
Ном. частота вращен. при жидк. смазке, n oil (1/min) 24000
7000103 АШ1 ГОСТ 520
Марка Модель Узел Кол-во на узел
Трамвайный вагон Т-2 Контроллер 1
Трамвайный вагон Т-3 Контроллер 1
Бренд Обозначение
ГПЗ 7000103
SKF 16003
FAG 16003
NSK 16003
Товар добавлен в корзину
Перейти в корзину ×