Подшипники гост
Интернет-магазин
8-800-250-16-58
Обратный звонок

Заказ обратного звонка




Эл. почта:
info@amost.ru
Свои заказы Корзина пуста





Получать прайс-лист на email:

Чтобы отписаться от рассылки, введите e-mail, на который вы получаете наши письма:

 

Поиск подшипников

Масса и размеры

Внутренний диаметр d, мм

От  до 

Наружный диаметр D, мм

От  до 

Ширина b, мм

Применяемость

Раздел каталога

Подшипник шариковый радиальный однорядный

7000105 ТУ 37.006.087

Отечественный
Импортный

Производитель



уточнять наличие
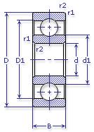
Обозначение 7000105 ТУ 37.006.087
Внутренний диаметр, d (мм) 25
Наружный диаметр, D (мм) 47
Ширина, В (мм) 8
Масса, m (кг) 0.0800
Грузоподъемность динамическая, C (kN) 7.6
Грузоподъемность статическая, Co (kN) 4
Ном. частота вращен. при пластич. смазке, n grease (1/min) 14000
Диаметр шарика, d шарика (мм) 5.556
Количество шариков, N шариков 11
Ном. частота вращен. при жидк. смазке, n oil (1/min) 17000
7000105 ТУ 37.006.087
Марка Модель Узел Кол-во на узел
ЗАЗ 965А Сцепление 1
ЗАЗ 965АР Сцепление -
ЗАЗ 965Б Сцепление 1
ЗАЗ 965Р Сцепление 1
ЗИУ 683Б Дверь: механизм открывания 6
ЗИУ 9 Дверь: механизм открывания 6
ЗИУ 9В(682В) Дверь: механизм открывания 6
Мототехника Днепр-12 Дифференциал: ступица левая -
Мототехника Днепр-16 Дифференциал: ступица левая -
Трамвайный вагон Т-2 Пантограф 1
Трамвайный вагон Т-3 Пантограф 1
Бренд Обозначение
ГПЗ 7000105
SKF 16005
FAG 16005
NSK 16005
Товар добавлен в корзину
Перейти в корзину ×