Подшипники гост
Интернет-магазин
8-800-250-16-58
Обратный звонок

Заказ обратного звонка




Эл. почта:
info@amost.ru
Свои заказы Корзина пуста





Получать прайс-лист на email:

Чтобы отписаться от рассылки, введите e-mail, на который вы получаете наши письма:

 

Поиск подшипников

Масса и размеры

Внутренний диаметр d, мм

От  до 

Наружный диаметр D, мм

От  до 

Ширина b, мм

Применяемость

Раздел каталога

Подшипник шариковый радиальный однорядный

7000108 ТУ 37.006.068

Отечественный
Импортный

Производитель



уточнять наличие
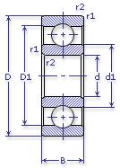
Обозначение 7000108 ТУ 37.006.068
Внутренний диаметр, d (мм) 40
Наружный диаметр, D (мм) 68
Ширина, В (мм) 9
Масса, m (кг) 0.126
Грузоподъемность динамическая, C (kN) 13.3
Грузоподъемность статическая, Co (kN) 7.8
Ном. частота вращен. при пластич. смазке, n grease (1/min) 9500
Диаметр шарика, d шарика (мм) 6.35
Количество шариков, N шариков 16
Ном. частота вращен. при жидк. смазке, n oil (1/min) 12000
7000108 ТУ 37.006.068
Бренд Обозначение
ГПЗ 7000108
SKF 16008
FAG 16008
NSK 16008
Товар добавлен в корзину
Перейти в корзину ×