Подшипники гост
Интернет-магазин
8-800-250-16-58
Обратный звонок

Заказ обратного звонка




Эл. почта:
info@amost.ru
Свои заказы Корзина пуста





Получать прайс-лист на email:

Чтобы отписаться от рассылки, введите e-mail, на который вы получаете наши письма:

 

Поиск подшипников

Масса и размеры

Внутренний диаметр d, мм

От  до 

Наружный диаметр D, мм

От  до 

Ширина b, мм

Применяемость

Раздел каталога

Подшипник шариковый радиальный однорядный

7000112 ТУ 3739

Отечественный
Импортный

Производитель



уточнять наличие
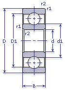
Обозначение 7000112 ТУ 3739
Внутренний диаметр, d (мм) 60
Наружный диаметр, D (мм) 95
Ширина, В (мм) 11
Масса, m (кг) 0.291
Грузоподъемность динамическая, C (kN) 18.6
Грузоподъемность статическая, Co (kN) 12.5
Ном. частота вращен. при пластич. смазке, n grease (1/min) 6700
Марка стали, Материал ШХ-15
Диаметр шарика, d шарика (мм) 7.144
Количество шариков, N шариков 18
Ном. частота вращен. при жидк. смазке, n oil (1/min) 8000
7000112 ТУ 3739
Марка Модель Узел Кол-во на узел
БелАЗ 548(42т) Передача согласующая 4
Бренд Обозначение
ГПЗ 7000112
SKF 16012
FAG 16012
NSK 16012
Товар добавлен в корзину
Перейти в корзину ×