Подшипники гост
Интернет-магазин
8-800-250-16-58
Обратный звонок

Заказ обратного звонка




Эл. почта:
info@amost.ru
Свои заказы Корзина пуста





Получать прайс-лист на email:

Чтобы отписаться от рассылки, введите e-mail, на который вы получаете наши письма:

 

Поиск подшипников

Масса и размеры

Внутренний диаметр d, мм

От  до 

Наружный диаметр D, мм

От  до 

Ширина b, мм

Применяемость

Раздел каталога

Подшипник шариковый радиальный однорядный

7000112 Б ЕТУ ВНИПП.500

Отечественный
Импортный

Производитель



уточнять наличие
Обозначение 7000112 Б ЕТУ ВНИПП.500
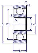
Внутренний диаметр, d (мм) 60
Наружный диаметр, D (мм) 95
Ширина, В (мм) 11
Масса, m (кг) 0.291
Грузоподъемность динамическая, C (kN) 18.6
Грузоподъемность статическая, Co (kN) 12.5
Ном. частота вращен. при пластич. смазке, n grease (1/min) 6700
Марка стали, Материал ШХ-15
Диаметр шарика, d шарика (мм) 7.144
Количество шариков, N шариков 18
Ном. частота вращен. при жидк. смазке, n oil (1/min) 8000
7000112 Б ЕТУ ВНИПП.500
Марка Модель Узел Кол-во на узел
БелАЗ 548(42т) Передача согласующая 4
Бренд Обозначение
ГПЗ 7000112
SKF 16012
FAG 16012
NSK 16012
Товар добавлен в корзину
Перейти в корзину ×