Подшипники гост
Интернет-магазин
8-800-250-16-58
Обратный звонок

Заказ обратного звонка




Эл. почта:
info@amost.ru
Свои заказы Корзина пуста





Получать прайс-лист на email:

Чтобы отписаться от рассылки, введите e-mail, на который вы получаете наши письма:

 

Поиск подшипников

Масса и размеры

Внутренний диаметр d, мм

От  до 

Наружный диаметр D, мм

От  до 

Ширина b, мм

Применяемость

Раздел каталога

Подшипник шариковый радиальный однорядный

7000114 К ГОСТ 520

Отечественный
Импортный

Производитель



уточнять наличие
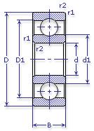
Обозначение 7000114 К ГОСТ 520
Внутренний диаметр, d (мм) 70
Наружный диаметр, D (мм) 110
Ширина, В (мм) 13
Масса, m (кг) 0.5100
Грузоподъемность динамическая, C (kN) 22.2
Грузоподъемность статическая, Co (kN) 15.3
Ном. частота вращен. при пластич. смазке, n grease (1/min) 6000
Марка стали, Материал ШХ-15
Диаметр шарика, d шарика (мм) 7.938
Количество шариков, N шариков 18
Ном. частота вращен. при жидк. смазке, n oil (1/min) 7000
7000114 К ГОСТ 520
Марка Модель Узел Кол-во на узел
Трактор ДТ-75 Вал отбора мощности: шестерня ведомая 1
Трактор ДТ-75МВ Вал отбора мощности: шестерня ведомая 1
Трактор Т-75 с двигателем СМД-14Г Вал отбора мощности: шестерня ведомая -
Трактор Т-75МВ с двигателем А-41 Вал отбора мощности: шестерня ведомая -
Бренд Обозначение
ГПЗ 7000114
SKF 16014
FAG 16014
NSK 16014
Товар добавлен в корзину
Перейти в корзину ×