Подшипники гост
Интернет-магазин
8-800-250-16-58
Обратный звонок

Заказ обратного звонка




Эл. почта:
info@amost.ru
Свои заказы Корзина пуста





Получать прайс-лист на email:

Чтобы отписаться от рассылки, введите e-mail, на который вы получаете наши письма:

 

Поиск подшипников

Масса и размеры

Внутренний диаметр d, мм

От  до 

Наружный диаметр D, мм

От  до 

Ширина b, мм

Применяемость

Раздел каталога

Подшипник шариковый радиальный однорядный

7000116 АШ ГОСТ 520

Отечественный
Импортный

Производитель



уточнять наличие
Обозначение 7000116 АШ ГОСТ 520
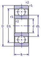
Внутренний диаметр, d (мм) 80
Наружный диаметр, D (мм) 125
Ширина, В (мм) 14
Масса, m (кг) 0.6000
Грузоподъемность динамическая, C (kN) 32
Грузоподъемность статическая, Co (kN) 31
Ном. частота вращен. при пластич. смазке, n grease (1/min) 5000
Марка стали, Материал ШХ-15
Ном. частота вращен. при жидк. смазке, n oil (1/min) 6000
7000116 АШ ГОСТ 520
Бренд Обозначение
ГПЗ 7000116
SKF 16016
FAG 16016
NSK 16016
Товар добавлен в корзину
Перейти в корзину ×