Подшипники гост
Интернет-магазин
8-800-250-16-58
Обратный звонок

Заказ обратного звонка




Эл. почта:
info@amost.ru
Свои заказы Корзина пуста





Получать прайс-лист на email:

Чтобы отписаться от рассылки, введите e-mail, на который вы получаете наши письма:

 

Поиск подшипников

Масса и размеры

Внутренний диаметр d, мм

От  до 

Наружный диаметр D, мм

От  до 

Ширина b, мм

Применяемость

Раздел каталога

Подшипник шариковый радиальный однорядный

7000120 АЛШ1 ГОСТ 520

Отечественный
Импортный

Производитель



уточнять наличие
Обозначение 7000120 АЛШ1 ГОСТ 520
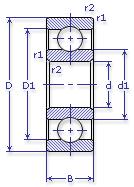
Внутренний диаметр, d (мм) 100
Наружный диаметр, D (мм) 150
Ширина, В (мм) 16
Масса, m (кг) 1.07
Грузоподъемность динамическая, C (kN) 44
Грузоподъемность статическая, Co (kN) 44
Ном. частота вращен. при пластич. смазке, n grease (1/min) 4300
Марка стали, Материал ШХ-15
Ном. частота вращен. при жидк. смазке, n oil (1/min) 5200
7000120 АЛШ1 ГОСТ 520
Бренд Обозначение
ГПЗ 7000120
SKF 16020
FAG 16020
NSK 16020
Товар добавлен в корзину
Перейти в корзину ×