Подшипники гост
Интернет-магазин
8-800-250-16-58
Обратный звонок

Заказ обратного звонка




Эл. почта:
info@amost.ru
Свои заказы Корзина пуста





Получать прайс-лист на email:

Чтобы отписаться от рассылки, введите e-mail, на который вы получаете наши письма:

 

Поиск подшипников

Масса и размеры

Внутренний диаметр d, мм

От  до 

Наружный диаметр D, мм

От  до 

Ширина b, мм

Применяемость

Раздел каталога

Подшипник шариковый радиальный однорядный

7000136 АЛШ1 ГОСТ 520

Отечественный
Импортный

Производитель



уточнять наличие
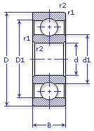
Обозначение 7000136 АЛШ1 ГОСТ 520
Внутренний диаметр, d (мм) 180
Наружный диаметр, D (мм) 280
Ширина, В (мм) 31
Масса, m (кг) 6.5100
Грузоподъемность динамическая, C (kN) 140
Грузоподъемность статическая, Co (kN) 146
Ном. частота вращен. при пластич. смазке, n grease (1/min) 2200
Марка стали, Материал ШХ-15
Ном. частота вращен. при жидк. смазке, n oil (1/min) 2800
7000136 АЛШ1 ГОСТ 520
Бренд Обозначение
ГПЗ 7000136
SKF 16036
FAG 16036
NSK 16036
Товар добавлен в корзину
Перейти в корзину ×