Подшипники гост
Интернет-магазин
8-800-250-16-58
Обратный звонок

Заказ обратного звонка




Эл. почта:
info@amost.ru
Свои заказы Корзина пуста





Получать прайс-лист на email:

Чтобы отписаться от рассылки, введите e-mail, на который вы получаете наши письма:

 

Поиск подшипников

Масса и размеры

Внутренний диаметр d, мм

От  до 

Наружный диаметр D, мм

От  до 

Ширина b, мм

Применяемость

Раздел каталога

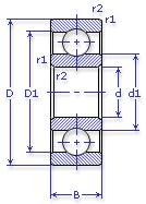
Подшипник шариковый радиальный однорядный

7000138 Л ГОСТ 520

Отечественный
Импортный

Производитель



уточнять наличие
Обозначение 7000138 Л ГОСТ 520
Внутренний диаметр, d (мм) 190
Наружный диаметр, D (мм) 290
Ширина, В (мм) 31
Масса, m (кг) 8.1000
Грузоподъемность динамическая, C (kN) 150
Грузоподъемность статическая, Co (kN) 166
Ном. частота вращен. при пластич. смазке, n grease (1/min) 2000
Марка стали, Материал ШХ-15
Ном. частота вращен. при жидк. смазке, n oil (1/min) 2600
7000138 Л ГОСТ 520
Бренд Обозначение
ГПЗ 7000138
SKF 16038
FAG 16038
NSK 16038
Товар добавлен в корзину
Перейти в корзину ×