Подшипники гост
Интернет-магазин
8-800-250-16-58
Обратный звонок

Заказ обратного звонка




Эл. почта:
info@amost.ru
Свои заказы Корзина пуста





Получать прайс-лист на email:

Чтобы отписаться от рассылки, введите e-mail, на который вы получаете наши письма:

 

Поиск подшипников

Масса и размеры

Внутренний диаметр d, мм

От  до 

Наружный диаметр D, мм

От  до 

Ширина b, мм

Применяемость

Раздел каталога

Подшипник шариковый радиальный однорядный

7000140 Л ГОСТ 520

Отечественный
Импортный

Производитель



уточнять наличие
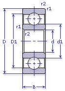
Обозначение 7000140 Л ГОСТ 520
Внутренний диаметр, d (мм) 200
Наружный диаметр, D (мм) 310
Ширина, В (мм) 34
Масса, m (кг) 9.5
Грузоподъемность динамическая, C (kN) 170
Грузоподъемность статическая, Co (kN) 190
Ном. частота вращен. при пластич. смазке, n grease (1/min) 2000
Марка стали, Материал ШХ-15
Диаметр шарика, d шарика (мм) 24.606
Количество шариков, N шариков 18
Ном. частота вращен. при жидк. смазке, n oil (1/min) 2600
7000140 Л ГОСТ 520
Бренд Обозначение
ГПЗ 7000140
SKF 16040
FAG 16040
NSK 16040
Товар добавлен в корзину
Перейти в корзину ×