Подшипники гост
Интернет-магазин
8-800-250-16-58
Обратный звонок

Заказ обратного звонка




Эл. почта:
info@amost.ru
Свои заказы Корзина пуста





Получать прайс-лист на email:

Чтобы отписаться от рассылки, введите e-mail, на который вы получаете наши письма:

 

Поиск подшипников

Масса и размеры

Внутренний диаметр d, мм

От  до 

Наружный диаметр D, мм

От  до 

Ширина b, мм

Применяемость

Раздел каталога

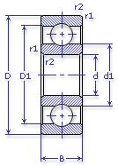
Подшипник шариковый радиальный однорядный основного конструктивного исполнения

7000976 Л ГОСТ 520

Отечественный
Импортный
Цена: 33 910.00 руб

Производитель



под заказ
Обозначение 7000976 Л ГОСТ 520
Внутренний диаметр, d (мм) 380
Наружный диаметр, D (мм) 520
Ширина, В (мм) 44
Масса, m (кг) 30.4000
Грузоподъемность динамическая, C (kN) 255
Грузоподъемность статическая, Co (kN) 297
Ном. частота вращен. при пластич. смазке, n grease (1/min) 950
Марка стали, Материал ШХ-15
Диаметр шарика, d шарика (мм) 31.75
Количество шариков, N шариков 24
Ном. частота вращен. при жидк. смазке, n oil (1/min) 1100
7000976 Л ГОСТ 520
Марка Модель Узел Кол-во на узел
Станкостроение Не указано Не указано -
Товар добавлен в корзину
Перейти в корзину ×