Подшипники гост
Интернет-магазин
8-800-250-16-58
Обратный звонок

Заказ обратного звонка




Эл. почта:
info@amost.ru
Свои заказы Корзина пуста





Получать прайс-лист на email:

Чтобы отписаться от рассылки, введите e-mail, на который вы получаете наши письма:

 

Поиск подшипников

Масса и размеры

Внутренний диаметр d, мм

От  до 

Наружный диаметр D, мм

От  до 

Ширина b, мм

Применяемость

Раздел каталога

Подшипник шариковый радиальный однорядный основного конструктивного исполнения

706 ГОСТ 520

Отечественный
Импортный

Производитель



уточнять наличие
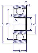
Обозначение 706 ГОСТ 520
Внутренний диаметр, d (мм) 30
Наружный диаметр, D (мм) 42
Ширина, В (мм) 6/7
Масса, m (кг) 0.026
Грузоподъемность динамическая, C (kN) 4.5
Грузоподъемность статическая, Co (kN) 2.9
Ном. частота вращен. при пластич. смазке, n grease (1/min) 15000
Диаметр шарика, d шарика (мм) 3.175
Количество шариков, N шариков 15
Ном. частота вращен. при жидк. смазке, n oil (1/min) 18000
706 ГОСТ 520

Этот подшипник может быть заменен другими:

Подшипник 50706 — Условие отсутствует

Подшипник 180706 — При условии демонтажа 2-х защитных шайб

Подшипник 750706 — При условии демонтажа 2-х защитных шайб

Марка Модель Узел Кол-во на узел
КАвЗ 3100 Электрооборудование 1
КАЗ 608В Электрооборудование 1
ЛАЗ 695Е Электрооборудование 1
ЛАЗ 695Н Электрооборудование 1
ЛАЗ 697Р Электрооборудование 1
ЛАЗ 699Н Электрооборудование 1
ЛАЗ 699Р Электрооборудование 1
ЛиАЗ 677 Электрооборудование 1
ЛиАЗ 677Б Электрооборудование 1
ЛиАЗ 677В Электрооборудование 1
ЛиАЗ 677М Электрооборудование 1
ЛиАЗ 677П Электрооборудование 1
Товар добавлен в корзину
Перейти в корзину ×