Подшипники гост
Интернет-магазин
8-800-250-16-58
Обратный звонок

Заказ обратного звонка




Эл. почта:
info@amost.ru
Свои заказы Корзина пуста





Получать прайс-лист на email:

Чтобы отписаться от рассылки, введите e-mail, на который вы получаете наши письма:

 

Поиск подшипников

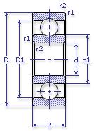
Масса и размеры

Внутренний диаметр d, мм

От  до 

Наружный диаметр D, мм

От  до 

Ширина b, мм

Применяемость

Раздел каталога

Подшипник шариковый радиальный однорядный основного конструктивного исполнения

706 У ГОСТ 520

Отечественный
Импортный

Производитель



уточнять наличие
Обозначение 706 У ГОСТ 520
Внутренний диаметр, d (мм) 30
Наружный диаметр, D (мм) 42
Ширина, В (мм) 6/7
Масса, m (кг) 0.026
Грузоподъемность динамическая, C (kN) 4.5
Грузоподъемность статическая, Co (kN) 2.9
Ном. частота вращен. при пластич. смазке, n grease (1/min) 15000
Диаметр шарика, d шарика (мм) 3.175
Количество шариков, N шариков 15
Ном. частота вращен. при жидк. смазке, n oil (1/min) 18000
706 У ГОСТ 520

Этот подшипник может быть заменен другими:

Подшипник 50706 — Условие отсутствует

Подшипник 180706 — При условии демонтажа 2-х защитных шайб

Подшипник 750706 — При условии демонтажа 2-х защитных шайб

Марка Модель Узел Кол-во на узел
КАвЗ 3100 Электрооборудование 1
КАЗ 608В Электрооборудование 1
ЛАЗ 695Е Электрооборудование 1
ЛАЗ 695Н Электрооборудование 1
ЛАЗ 697Р Электрооборудование 1
ЛАЗ 699Н Электрооборудование 1
ЛАЗ 699Р Электрооборудование 1
ЛиАЗ 677 Электрооборудование 1
ЛиАЗ 677Б Электрооборудование 1
ЛиАЗ 677В Электрооборудование 1
ЛиАЗ 677М Электрооборудование 1
ЛиАЗ 677П Электрооборудование 1
Товар добавлен в корзину
Перейти в корзину ×