Подшипники гост
Интернет-магазин
8-800-250-16-58
Обратный звонок

Заказ обратного звонка




Эл. почта:
info@amost.ru
Свои заказы Корзина пуста





Получать прайс-лист на email:

Чтобы отписаться от рассылки, введите e-mail, на который вы получаете наши письма:

 

Поиск подшипников

Масса и размеры

Внутренний диаметр d, мм

От  до 

Наружный диаметр D, мм

От  до 

Ширина b, мм

Применяемость

Раздел каталога

Подшипник шариковый радиальный однорядный основного конструктивного исполнения

801 ГОСТ 520

Отечественный
Импортный

Производитель



уточнять наличие
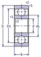
Обозначение 801 ГОСТ 520
Внутренний диаметр, d (мм) 12
Наружный диаметр, D (мм) 30
Ширина, В (мм) 8
Масса, m (кг) 0.027
Грузоподъемность динамическая, C (kN) 5
Грузоподъемность статическая, Co (kN) 2.3
Ном. частота вращен. при пластич. смазке, n grease (1/min) 26000
Ном. частота вращен. при жидк. смазке, n oil (1/min) 32000
801 ГОСТ 520

Этот подшипник может быть заменен другими:

Подшипник 80801 — При условии демонтажа 2-х защитных шайб

Товар добавлен в корзину
Перейти в корзину ×