Подшипники гост
Интернет-магазин
8-800-250-16-58
Обратный звонок

Заказ обратного звонка




Эл. почта:
info@amost.ru
Свои заказы Корзина пуста





Получать прайс-лист на email:

Чтобы отписаться от рассылки, введите e-mail, на который вы получаете наши письма:

 

Поиск подшипников

Масса и размеры

Внутренний диаметр d, мм

От  до 

Наружный диаметр D, мм

От  до 

Ширина b, мм

Применяемость

Раздел каталога

Подшипник шариковый радиальный однорядный основного конструктивного исполнения

138 Л ГОСТ 520

Отечественный
Импортный
Цена: 5 221.00 руб

Производитель



под заказ
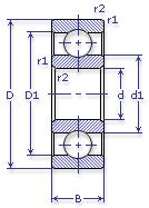
Обозначение 138 Л ГОСТ 520
Внутренний диаметр, d (мм) 190
Наружный диаметр, D (мм) 290
Ширина, В (мм) 46
Масса, m (кг) 11.4
Грузоподъемность динамическая, C (kN) 195
Грузоподъемность статическая, Co (kN) 166
Ном. частота вращен. при пластич. смазке, n grease (1/min) 2000
Марка стали, Материал ШХ-15
Диаметр шарика, d шарика (мм) 30.162
Количество шариков, N шариков 14
Ном. частота вращен. при жидк. смазке, n oil (1/min) 2600
Диаметр борта наружного кольца, D1(mm) 258.1
Диаметр борта внутреннего кольца, d1 (mm) 223
Радиус фаски, r1, r2 min (мм) 2.1
138 Л ГОСТ 520
Бренд Обозначение
ГПЗ 138
SKF 6038
FAG 6038
NSK 6038
Товар добавлен в корзину
Перейти в корзину ×