Подшипники гост
Интернет-магазин
8-800-250-16-58
Обратный звонок

Заказ обратного звонка




Эл. почта:
info@amost.ru
Свои заказы Корзина пуста





Получать прайс-лист на email:

Чтобы отписаться от рассылки, введите e-mail, на который вы получаете наши письма:

 

Поиск подшипников

Масса и размеры

Внутренний диаметр d, мм

От  до 

Наружный диаметр D, мм

От  до 

Ширина b, мм

Применяемость

Раздел каталога

Подшипник шариковый радиальный однорядный основного конструктивного исполнения

220 ГОСТ 520

Отечественный
Импортный

Производитель



уточнять наличие
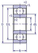
Обозначение 220 ГОСТ 520
Внутренний диаметр, d (мм) 100
Наружный диаметр, D (мм) 180
Ширина, В (мм) 34
Масса, m (кг) 2.92
Грузоподъемность динамическая, C (kN) 142.6
Грузоподъемность статическая, Co (kN) 97.7
Ном. частота вращен. при пластич. смазке, n grease (1/min) 3400
Диаметр шарика, d шарика (мм) 25.4
Количество шариков, N шариков 10
Ном. частота вращен. при жидк. смазке, n oil (1/min) 4000
Диаметр борта наружного кольца, D1(mm) 158.5
Диаметр борта внутреннего кольца, d1 (mm) 123.1
Радиус фаски, r1, r2 min (мм) 2.1
220 ГОСТ 520

Этот подшипник может быть заменен другими:

Подшипник 60220 — При условии демонтажа одной защитной шайбы

Подшипник 80220 — При условии демонтажа 2-х защитных шайб

Марка Модель Узел Кол-во на узел
МАЗ 509А Коробка раздаточная 2
МАЗ 5434 Коробка раздаточная 1
МАЗ 5463 Коробка раздаточная -
МоАЗ 546П-Д357П Коробка дополнительная 1
МоАЗ 6507 Картер гибкой муфты 1
Трактор К-701 Коробка передач 1
Трактор ЛХТ-55 Передача бортовая -
Трактор ТДТ-55 Передача бортовая -
УРАЛ 375Д Коробка раздаточная 1
УРАЛ 375Д Коробка раздаточная 1
УРАЛ 375ДМ Коробка раздаточная 1
УРАЛ 375ДМ Коробка раздаточная 1
УРАЛ 377 Коробка раздаточная 1
УРАЛ 377 Коробка раздаточная 1
УРАЛ 4320 Коробка раздаточная 1
УРАЛ 4320 Коробка раздаточная 1
УРАЛ 5557 Коробка раздаточная 1
УРАЛ 5557 Коробка раздаточная 1
УРАЛ 5920 Коробка раздаточная 1
УРАЛ 5920 Коробка раздаточная 1
Бренд Обозначение
ГПЗ 220
SKF 6220
FAG 6220
NSK 6220
Товар добавлен в корзину
Перейти в корзину ×