Получать прайс-лист на email:
Чтобы отписаться от рассылки, введите e-mail, на который вы получаете наши письма:
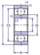
Внутренний диаметр d, мм
Наружный диаметр D, мм
Ширина b, мм
808 ГОСТ 520