Подшипники гост
Интернет-магазин
8-800-250-16-58
Обратный звонок

Заказ обратного звонка




Эл. почта:
info@amost.ru
Свои заказы Корзина пуста





Получать прайс-лист на email:

Чтобы отписаться от рассылки, введите e-mail, на который вы получаете наши письма:

 

Поиск подшипников

Масса и размеры

Внутренний диаметр d, мм

От  до 

Наружный диаметр D, мм

От  до 

Ширина b, мм

Применяемость

Раздел каталога

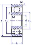
Подшипник шариковый радиальный однорядный основного конструктивного исполнения

824 E ГОСТ 520

Отечественный
Импортный

Производитель



уточнять наличие
Обозначение 824 E ГОСТ 520
Внутренний диаметр, d (мм) 120
Наружный диаметр, D (мм) 160
Ширина, В (мм) 24
Масса, m (кг) 0.8900
Грузоподъемность динамическая, C (kN) 77
Грузоподъемность статическая, Co (kN) 70.6
Ном. частота вращен. при пластич. смазке, n grease (1/min) 3600
Марка стали, Материал ШХ-15
Диаметр шарика, d шарика (мм) 14.288
Ном. частота вращен. при жидк. смазке, n oil (1/min) 4300
824 E ГОСТ 520
Товар добавлен в корзину
Перейти в корзину ×