Подшипники гост
Интернет-магазин
8-800-250-16-58
Обратный звонок

Заказ обратного звонка




Эл. почта:
info@amost.ru
Свои заказы Корзина пуста





Получать прайс-лист на email:

Чтобы отписаться от рассылки, введите e-mail, на который вы получаете наши письма:

 

Поиск подшипников

Масса и размеры

Внутренний диаметр d, мм

От  до 

Наружный диаметр D, мм

От  до 

Ширина b, мм

Применяемость

Раздел каталога

Подшипник шариковый радиальный однорядный с канавкой на наружном кольце

50409 АК ГОСТ 520

Отечественный
Импортный

Производитель



уточнять наличие
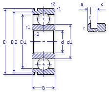
Обозначение 50409 АК ГОСТ 520
Внутренний диаметр, d (мм) 45
Наружный диаметр, D (мм) 120
Ширина, В (мм) 29
Масса, m (кг) 1.6
Грузоподъемность динамическая, C (kN) 76.1
Грузоподъемность статическая, Co (kN) 45.5
Ном. частота вращен. при пластич. смазке, n grease (1/min) 6000
Марка стали, Материал ШХ-15
Диаметр шарика, d шарика (мм) 23.019
Количество шариков, N шариков 7
Ном. частота вращен. при жидк. смазке, n oil (1/min) 7000
Диаметр борта наружного кольца, D1(mm) 96.3
Диаметр борта внутреннего кольца, d1 (mm) 68.7
Радиус фаски, r1, r2 min (мм) 2
Толщина борта канавки, a (мм) 4.06
Радиус фаски, r min (мм) 0.8
Ширина канавки, c (мм) 3.1
Диаметр канавки, D2(mm) 115.21
50409 АК ГОСТ 520
Марка Модель Узел Кол-во на узел
Подшипники ГАЗ 3301 Коробка передач 1
Подшипники ГАЗ 3301 Коробка раздаточная 1
Подшипники ГАЗ 3306 Коробка передач 1
ГАЗ 3309 Коробка передач: вал вторичный, опора задняя 1
ГАЗ 4301 Коробка передач 1
ГАЗ 4301 Коробка раздаточная 1
ГАЗ 4509 Коробка передач 1
ГАЗ САЗ 4509 Коробка передач 1
ГАЗ САЗ 4509 Коробка раздаточная 1
ЗИЛ 133ВЯ Коробка передач 1
ЗИЛ 133ГЯ Коробка передач 1
КАЗ 4540 Коробка передач 1
КамАЗ 5320 Коробка передач 1
КамАЗ 5320 Коробка передач: вал промежуточный делителя, опора передняя 1
КамАЗ 53211 Коробка передач: вал промежуточный делителя, опора передняя 1
КамАЗ 53212 Коробка передач 1
КамАЗ 53212 Коробка передач: вал промежуточный делителя, опора передняя 1
КамАЗ 53213 Коробка передач 1
КамАЗ 53213 Коробка передач: вал промежуточный делителя, опора передняя 1
КамАЗ 53222 Коробка передач 1
КамАЗ 5325 Коробка передач 1
КамАЗ 5410 Коробка передач 1
КамАЗ 5410 Коробка передач: вал промежуточный делителя, опора передняя 1
КамАЗ 54112 Коробка передач 1
КамАЗ 54112 Коробка передач: вал промежуточный делителя, опора передняя 1
КамАЗ 54122 Коробка передач 1
КамАЗ 5425 Коробка передач 1
КамАЗ 55102 Коробка передач 1
КамАЗ 55102 Коробка передач: вал промежуточный делителя, опора передняя 1
КамАЗ 5511 Коробка передач 1
КамАЗ 55111 Коробка передач: вал промежуточный делителя, опора передняя 1
Комбайн КСК-100А/А1 Мост ведущий: коробка передач, валы и шестерни -
Косилка КПС-5Г Коробка передач -
КрАЗ 214Б Коробка передач: вал промежуточный, опора задняя -
ЛАЗ 699Н Коробка передач 1
ЛАЗ 699Р Коробка передач 1
Трактор ЛХТ-55 Коробка передач: вал грузовой -
Трактор ТДТ-55 Коробка передач: вал грузовой -
УРАЛ 4320 Коробка передач 1
УРАЛ 5557 Коробка передач 1
УРАЛ 5920 Коробка передач 1
Бренд Обозначение
ГПЗ 50409
SKF 6409N
FAG 6409N
NSK 6409N
Товар добавлен в корзину
Перейти в корзину ×