Подшипники гост
Интернет-магазин
8-800-250-16-58
Обратный звонок

Заказ обратного звонка




Эл. почта:
info@amost.ru
Свои заказы Корзина пуста





Получать прайс-лист на email:

Чтобы отписаться от рассылки, введите e-mail, на который вы получаете наши письма:

 

Поиск подшипников

Масса и размеры

Внутренний диаметр d, мм

От  до 

Наружный диаметр D, мм

От  до 

Ширина b, мм

Применяемость

Раздел каталога

Подшипник шариковый радиальный однорядный основного конструктивного исполнения

836 ГОСТ 520

Отечественный
Импортный

Производитель



уточнять наличие
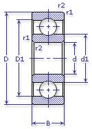
Обозначение 836 ГОСТ 520
Внутренний диаметр, d (мм) 180
Наружный диаметр, D (мм) 240
Ширина, В (мм) 35
Масса, m (кг) 2.94
Грузоподъемность динамическая, C (kN) 98
Грузоподъемность статическая, Co (kN) 86
Ном. частота вращен. при пластич. смазке, n grease (1/min) 2200
Марка стали, Материал ШХ-15
Диаметр шарика, d шарика (мм) 22.225
Количество шариков, N шариков 23
Ном. частота вращен. при жидк. смазке, n oil (1/min) 2800
836 ГОСТ 520
Товар добавлен в корзину
Перейти в корзину ×