Подшипники гост
Интернет-магазин
8-800-250-16-58
Обратный звонок

Заказ обратного звонка




Эл. почта:
info@amost.ru
Свои заказы Корзина пуста





Получать прайс-лист на email:

Чтобы отписаться от рассылки, введите e-mail, на который вы получаете наши письма:

 

Поиск подшипников

Масса и размеры

Внутренний диаметр d, мм

От  до 

Наружный диаметр D, мм

От  до 

Ширина b, мм

Применяемость

Раздел каталога

Подшипник шариковый радиальный однорядный основного конструктивного исполнения

840 Л ТУ ВНИПП.048-1

Отечественный
Импортный

Производитель



уточнять наличие
Обозначение 840 Л ТУ ВНИПП.048-1
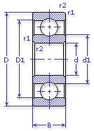
Внутренний диаметр, d (мм) 201
Наружный диаметр, D (мм) 310
Ширина, В (мм) 51
Масса, m (кг) 14.6000
Грузоподъемность динамическая, C (kN) 180
Грузоподъемность статическая, Co (kN) 170
Ном. частота вращен. при пластич. смазке, n grease (1/min) 1900
Марка стали, Материал ШХ-15
Диаметр шарика, d шарика (мм) 33.338
Количество шариков, N шариков 13
Ном. частота вращен. при жидк. смазке, n oil (1/min) 2400
840 Л ТУ ВНИПП.048-1
Товар добавлен в корзину
Перейти в корзину ×