Подшипники гост
Интернет-магазин
8-800-250-16-58
Обратный звонок

Заказ обратного звонка




Эл. почта:
info@amost.ru
Свои заказы Корзина пуста





Получать прайс-лист на email:

Чтобы отписаться от рассылки, введите e-mail, на который вы получаете наши письма:

 

Поиск подшипников

Масса и размеры

Внутренний диаметр d, мм

От  до 

Наружный диаметр D, мм

От  до 

Ширина b, мм

Применяемость

Раздел каталога

Подшипник шариковый радиальный однорядный основного конструктивного исполнения

848 ГОСТ 520

Отечественный
Импортный

Производитель



уточнять наличие
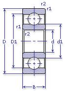
Обозначение 848 ГОСТ 520
Внутренний диаметр, d (мм) 240
Наружный диаметр, D (мм) 320
Ширина, В (мм) 48
Масса, m (кг) 7.66
Марка стали, Материал ШХ-15
848 ГОСТ 520
Товар добавлен в корзину
Перейти в корзину ×