Подшипники гост
Интернет-магазин
8-800-250-16-58
Обратный звонок

Заказ обратного звонка




Эл. почта:
info@amost.ru
Свои заказы Корзина пуста





Получать прайс-лист на email:

Чтобы отписаться от рассылки, введите e-mail, на который вы получаете наши письма:

 

Поиск подшипников

Масса и размеры

Внутренний диаметр d, мм

От  до 

Наружный диаметр D, мм

От  до 

Ширина b, мм

Применяемость

Раздел каталога

Подшипник шариковый радиальный однорядный основного конструктивного исполнения

7000144 Л ГОСТ 520

Отечественный
Импортный
Цена: 10 489.00 руб

Производитель



под заказ
Обозначение 7000144 Л ГОСТ 520
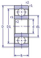
Внутренний диаметр, d (мм) 220
Наружный диаметр, D (мм) 340
Ширина, В (мм) 37
Масса, m (кг) 13.8
Грузоподъемность динамическая, C (kN) 174
Грузоподъемность статическая, Co (kN) 200
Ном. частота вращен. при пластич. смазке, n grease (1/min) 1800
Марка стали, Материал ШХ-15
Диаметр шарика, d шарика (мм) 25.4
Количество шариков, N шариков 19
Ном. частота вращен. при жидк. смазке, n oil (1/min) 2200
7000144 Л ГОСТ 520
Марка Модель Узел Кол-во на узел
Станкостроение Не указано Не указано -
Бренд Обозначение
ГПЗ 7000144
SKF 16044
FAG 16044
NSK 16044
Товар добавлен в корзину
Перейти в корзину ×