Подшипники гост
Интернет-магазин
8-800-250-16-58
Обратный звонок

Заказ обратного звонка




Эл. почта:
info@amost.ru
Свои заказы Корзина пуста





Получать прайс-лист на email:

Чтобы отписаться от рассылки, введите e-mail, на который вы получаете наши письма:

 

Поиск подшипников

Масса и размеры

Внутренний диаметр d, мм

От  до 

Наружный диаметр D, мм

От  до 

Ширина b, мм

Применяемость

Раздел каталога

Подшипник шариковый радиальный однорядный основного конструктивного исполнения

903 ЕШ ГОСТ 520

Отечественный
Импортный

Производитель



уточнять наличие
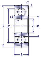
Обозначение 903 ЕШ ГОСТ 520
Внутренний диаметр, d (мм) 17.7
Наружный диаметр, D (мм) 35
Ширина, В (мм) 8
Масса, m (кг) 0.029
Грузоподъемность динамическая, C (kN) 4.65
Грузоподъемность статическая, Co (kN) 2.8
Ном. частота вращен. при пластич. смазке, n grease (1/min) 16900
Марка стали, Материал ШХ-15
Диаметр шарика, d шарика (мм) 4.763
Количество шариков, N шариков 10
Ном. частота вращен. при жидк. смазке, n oil (1/min) 20650
Диаметр борта наружного кольца, D1(mm) 29.5
Диаметр борта внутреннего кольца, d1 (mm) 23.2
Радиус фаски, r1, r2 min (мм) 0.3
903 ЕШ ГОСТ 520
Марка Модель Узел Кол-во на узел
ВАЗ 1111 Ока Управление рулевое: опора шестерни 1
Подшипники ГАЗ 2108 Управление рулевое: опора шестерни 1
Подшипники ГАЗ 2109 Управление рулевое: опора шестерни 1
Подшипники ГАЗ 2110 Управление рулевое: шестерня 1
Подшипники ГАЗ 2111 Управление рулевое: шестерня 1
Подшипники ГАЗ 2112 Управление рулевое: опора шестерни 1
Подшипники ГАЗ 2112 Управление рулевое: шестерня 1
Подшипники ГАЗ 2115 Управление рулевое: шестерня -
Бренд Обозначение
ГПЗ 903
SKF 16003
Товар добавлен в корзину
Перейти в корзину ×