Подшипники гост
Интернет-магазин
8-800-250-16-58
Обратный звонок

Заказ обратного звонка




Эл. почта:
info@amost.ru
Свои заказы Корзина пуста





Получать прайс-лист на email:

Чтобы отписаться от рассылки, введите e-mail, на который вы получаете наши письма:

 

Поиск подшипников

Масса и размеры

Внутренний диаметр d, мм

От  до 

Наружный диаметр D, мм

От  до 

Ширина b, мм

Применяемость

Раздел каталога

Подшипник шариковый радиальный однорядный основного конструктивного исполнения

905 Р1 1002-90

Отечественный
Импортный

Производитель



уточнять наличие
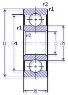
Обозначение 905 Р1 1002-90
Внутренний диаметр, d (мм) 25.006
Наружный диаметр, D (мм) 46.994
Ширина, В (мм) 12
Масса, m (кг) 0.095
Марка стали, Материал ЭИ-347
Диаметр шарика, d шарика (мм) 6.35
Количество шариков, N шариков 9
905 Р1 1002-90

Этот подшипник может быть заменен другими:

Подшипник 80905 — При условии демонтажа 2-х защитных шайб

Товар добавлен в корзину
Перейти в корзину ×