Подшипники гост
Интернет-магазин
8-800-250-16-58
Обратный звонок

Заказ обратного звонка




Эл. почта:
info@amost.ru
Свои заказы Корзина пуста





Получать прайс-лист на email:

Чтобы отписаться от рассылки, введите e-mail, на который вы получаете наши письма:

 

Поиск подшипников

Масса и размеры

Внутренний диаметр d, мм

От  до 

Наружный диаметр D, мм

От  до 

Ширина b, мм

Применяемость

Раздел каталога

Подшипник шариковый радиальный однорядный основного конструктивного исполнения

232 Л1 ГОСТ 520

Отечественный
Импортный

Производитель



уточнять наличие
Обозначение 232 Л1 ГОСТ 520
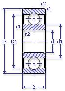
Внутренний диаметр, d (мм) 160
Наружный диаметр, D (мм) 290
Ширина, В (мм) 48
Масса, m (кг) 15
Грузоподъемность динамическая, C (kN) 200
Грузоподъемность статическая, Co (kN) 186
Ном. частота вращен. при пластич. смазке, n grease (1/min) 2200
Марка стали, Материал ШХ-15
Диаметр шарика, d шарика (мм) 34.925
Количество шариков, N шариков 11
Ном. частота вращен. при жидк. смазке, n oil (1/min) 2800
232 Л1 ГОСТ 520
Марка Модель Узел Кол-во на узел
Станкостроение Не указано Не указано -
Бренд Обозначение
ГПЗ 232
SKF 6232
FAG 6232
NSK 6232
Товар добавлен в корзину
Перейти в корзину ×