Подшипники гост
Интернет-магазин
8-800-250-16-58
Обратный звонок

Заказ обратного звонка




Эл. почта:
info@amost.ru
Свои заказы Корзина пуста





Получать прайс-лист на email:

Чтобы отписаться от рассылки, введите e-mail, на который вы получаете наши письма:

 

Поиск подшипников

Масса и размеры

Внутренний диаметр d, мм

От  до 

Наружный диаметр D, мм

От  до 

Ширина b, мм

Применяемость

Раздел каталога

Подшипник шариковый радиальный однорядный основного конструктивного исполнения

220 А ГОСТ 520

Отечественный
Импортный

Производитель



уточнять наличие
Обозначение 220 А ГОСТ 520
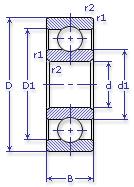
Внутренний диаметр, d (мм) 100
Наружный диаметр, D (мм) 180
Ширина, В (мм) 34
Масса, m (кг) 2.92
Грузоподъемность динамическая, C (kN) 142.6
Грузоподъемность статическая, Co (kN) 97.7
Ном. частота вращен. при пластич. смазке, n grease (1/min) 3400
Диаметр шарика, d шарика (мм) 25.4
Количество шариков, N шариков 10
Ном. частота вращен. при жидк. смазке, n oil (1/min) 4000
Диаметр борта наружного кольца, D1(mm) 158.5
Диаметр борта внутреннего кольца, d1 (mm) 123.1
Радиус фаски, r1, r2 min (мм) 2.1
220 А ГОСТ 520

Этот подшипник может быть заменен другими:

Подшипник 60220 — При условии демонтажа одной защитной шайбы

Подшипник 80220 — При условии демонтажа 2-х защитных шайб

Марка Модель Узел Кол-во на узел
МАЗ 509А Коробка раздаточная 2
МАЗ 5434 Коробка раздаточная 1
МАЗ 5463 Коробка раздаточная -
МоАЗ 546П-Д357П Коробка дополнительная 1
МоАЗ 6507 Картер гибкой муфты 1
Трактор К-701 Коробка передач 1
Трактор ЛХТ-55 Передача бортовая -
Трактор ТДТ-55 Передача бортовая -
УРАЛ 375Д Коробка раздаточная 1
УРАЛ 375Д Коробка раздаточная 1
УРАЛ 375ДМ Коробка раздаточная 1
УРАЛ 375ДМ Коробка раздаточная 1
УРАЛ 377 Коробка раздаточная 1
УРАЛ 377 Коробка раздаточная 1
УРАЛ 4320 Коробка раздаточная 1
УРАЛ 4320 Коробка раздаточная 1
УРАЛ 5557 Коробка раздаточная 1
УРАЛ 5557 Коробка раздаточная 1
УРАЛ 5920 Коробка раздаточная 1
УРАЛ 5920 Коробка раздаточная 1
Бренд Обозначение
ГПЗ 220
SKF 6220
FAG 6220
NSK 6220
Товар добавлен в корзину
Перейти в корзину ×