Подшипники гост
Интернет-магазин
8-800-250-16-58
Обратный звонок

Заказ обратного звонка




Эл. почта:
info@amost.ru
Свои заказы Корзина пуста





Получать прайс-лист на email:

Чтобы отписаться от рассылки, введите e-mail, на который вы получаете наши письма:

 

Поиск подшипников

Масса и размеры

Внутренний диаметр d, мм

От  до 

Наружный диаметр D, мм

От  до 

Ширина b, мм

Применяемость

Раздел каталога

Подшипник шариковый радиальный однорядный основного конструктивного исполнения

413 ТУ ВНИПП.048-1

Отечественный
Импортный

Производитель



уточнять наличие
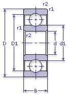
Обозначение 413 ТУ ВНИПП.048-1
Внутренний диаметр, d (мм) 65
Наружный диаметр, D (мм) 160
Ширина, В (мм) 37
Масса, m (кг) 3.4
Грузоподъемность динамическая, C (kN) 119
Грузоподъемность статическая, Co (kN) 78
Ном. частота вращен. при пластич. смазке, n grease (1/min) 4500
Марка стали, Материал ШХ-15
Диаметр шарика, d шарика (мм) 30.162
Количество шариков, N шариков 7
Ном. частота вращен. при жидк. смазке, n oil (1/min) 5300
Диаметр борта наружного кольца, D1(mm) 133.9
Диаметр борта внутреннего кольца, d1 (mm) 91.1
Радиус фаски, r1, r2 min (мм) 2.1
413 ТУ ВНИПП.048-1

Этот подшипник может быть заменен другими:

Подшипник 50413 — Условие отсутствует

Марка Модель Узел Кол-во на узел
ЗИУ 9 Двигатель ДК-210А3 1
ЗИУ 9В(682В) Двигатель: тяговый 1
КЗКТ Э538ДК Коробка дополнительная 3
КЗКТ Э538ДК Коробка раздаточная 1
Комбайн КСК-100А/А1 Привод на рабочие органы -
МАЗ 5434 Коробка раздаточная 2
Трактор ДТ-75 Передача конечная: вал колеса ведущего 2
Трактор ДТ-75МВ Передача конечная: вал колеса ведущего 2
Трактор Т-75 с двигателем СМД-14Г Передача конечная: вал колеса ведущего -
Трактор Т-75МВ с двигателем А-41 Передача конечная: вал колеса ведущего -
Бренд Обозначение
ГПЗ 413
SKF 6413
FAG 6413
NSK 6413
Товар добавлен в корзину
Перейти в корзину ×