Подшипники гост
Интернет-магазин
8-800-250-16-58
Обратный звонок

Заказ обратного звонка




Эл. почта:
info@amost.ru
Свои заказы Корзина пуста





Получать прайс-лист на email:

Чтобы отписаться от рассылки, введите e-mail, на который вы получаете наши письма:

 

Поиск подшипников

Масса и размеры

Внутренний диаметр d, мм

От  до 

Наружный диаметр D, мм

От  до 

Ширина b, мм

Применяемость

Раздел каталога

Подшипник шариковый радиальный однорядный основного конструктивного исполнения

100 Л ГОСТ 520

Отечественный
Импортный
Цена: 7.00 руб

Производитель



под заказ
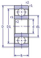
Обозначение 100 Л ГОСТ 520
Внутренний диаметр, d (мм) 10
Наружный диаметр, D (мм) 26
Ширина, В (мм) 8
Масса, m (кг) 0.0200
Грузоподъемность динамическая, C (kN) 4.62
Грузоподъемность статическая, Co (kN) 1.96
Ном. частота вращен. при пластич. смазке, n grease (1/min) 30000
Диаметр шарика, d шарика (мм) 4.763
Количество шариков, N шариков 7
Ном. частота вращен. при жидк. смазке, n oil (1/min) 36000
100 Л ГОСТ 520

Этот подшипник может быть заменен другими:

Подшипник 60100 — При условии демонтажа одной защитной шайбы

Подшипник 80100 — При условии демонтажа 2-х защитных шайб

Подшипник 180100 — При условии демонтажа 2-х защитных шайб

Марка Модель Узел Кол-во на узел
БелАЗ 7548(42т) Насос масляный задний 2
Мототехника Мокик ИЖ2.673 Коробка передач: вал первичный -
Бренд Обозначение
ГПЗ 100
SKF 6000
FAG 6000
NSK 6000
Товар добавлен в корзину
Перейти в корзину ×