Подшипники гост
Интернет-магазин
8-800-250-16-58
Обратный звонок

Заказ обратного звонка




Эл. почта:
info@amost.ru
Свои заказы Корзина пуста





Получать прайс-лист на email:

Чтобы отписаться от рассылки, введите e-mail, на который вы получаете наши письма:

 

Поиск подшипников

Масса и размеры

Внутренний диаметр d, мм

От  до 

Наружный диаметр D, мм

От  до 

Ширина b, мм

Применяемость

Раздел каталога

Подшипник шариковый радиальный однорядный основного конструктивного исполнения

101 У ГОСТ 520

Отечественный
Импортный
Цена: 17.00 руб

Производитель



под заказ
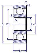
Обозначение 101 У ГОСТ 520
Внутренний диаметр, d (мм) 12
Наружный диаметр, D (мм) 28
Ширина, В (мм) 8
Масса, m (кг) 0.021
Грузоподъемность динамическая, C (kN) 5.07
Грузоподъемность статическая, Co (kN) 2.24
Ном. частота вращен. при пластич. смазке, n grease (1/min) 26000
Диаметр шарика, d шарика (мм) 4.763
Количество шариков, N шариков 8
Ном. частота вращен. при жидк. смазке, n oil (1/min) 32000
101 У ГОСТ 520

Этот подшипник может быть заменен другими:

Подшипник 60101 — При условии демонтажа одной защитной шайбы

Подшипник 160101 — При условии демонтажа одной защитной шайбы

Подшипник 80101 — При условии демонтажа 2-х защитных шайб

Подшипник 180101 — При условии демонтажа 2-х защитных шайб

Марка Модель Узел Кол-во на узел
Москвич 2141 Управление рулевое 1
Бренд Обозначение
ГПЗ 101
SKF 6001
FAG 6001
NSK 6001
Товар добавлен в корзину
Перейти в корзину ×