Подшипники гост
Интернет-магазин
8-800-250-16-58
Обратный звонок

Заказ обратного звонка




Эл. почта:
info@amost.ru
Свои заказы Корзина пуста





Получать прайс-лист на email:

Чтобы отписаться от рассылки, введите e-mail, на который вы получаете наши письма:

 

Поиск подшипников

Масса и размеры

Внутренний диаметр d, мм

От  до 

Наружный диаметр D, мм

От  до 

Ширина b, мм

Применяемость

Раздел каталога

Подшипник шариковый радиальный однорядный основного конструктивного исполнения

103 К ГОСТ 520

Отечественный
Импортный
Цена: 15.00 руб

Производитель



под заказ
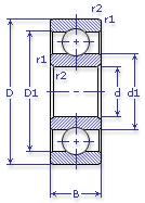
Обозначение 103 К ГОСТ 520
Внутренний диаметр, d (мм) 17
Наружный диаметр, D (мм) 35
Ширина, В (мм) 10
Масса, m (кг) 0.042
Грузоподъемность динамическая, C (kN) 6.05
Грузоподъемность статическая, Co (kN) 3.25
Ном. частота вращен. при пластич. смазке, n grease (1/min) 19000
Марка стали, Материал ШХ-15
Диаметр шарика, d шарика (мм) 4.763
Количество шариков, N шариков 10
Ном. частота вращен. при жидк. смазке, n oil (1/min) 24000
103 К ГОСТ 520

Этот подшипник может быть заменен другими:

Подшипник 50103 — Условие отсутствует

Подшипник 60103 — При условии демонтажа одной защитной шайбы

Подшипник 160103 — При условии демонтажа одной защитной шайбы

Подшипник 150103 — При условии демонтажа одной защитной шайбы (п/ш с канавкой)

Подшипник 80103 — При условии демонтажа 2-х защитных шайб

Подшипник 180103 — При условии демонтажа 2-х защитных шайб

Бренд Обозначение
ГПЗ 103
SKF 6003
FAG 6003
NSK 6003
Товар добавлен в корзину
Перейти в корзину ×