Подшипники гост
Интернет-магазин
8-800-250-16-58
Обратный звонок

Заказ обратного звонка




Эл. почта:
info@amost.ru
Свои заказы Корзина пуста





Получать прайс-лист на email:

Чтобы отписаться от рассылки, введите e-mail, на который вы получаете наши письма:

 

Поиск подшипников

Масса и размеры

Внутренний диаметр d, мм

От  до 

Наружный диаметр D, мм

От  до 

Ширина b, мм

Применяемость

Раздел каталога

Подшипник роликовый радиальный с короткими цилиндрическими роликами однорядный с бортами на наружном кольце и с однобортовым внутренним кольцом

42415 ГОСТ 520

Отечественный
Импортный
Цена: 2 533.00 руб

Производитель



под заказ
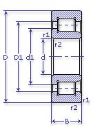
Обозначение 42415 ГОСТ 520
Внутренний диаметр, d (мм) 75
Наружный диаметр, D (мм) 190
Ширина, В (мм) 45
Масса, m (кг) 7,22
Грузоподъемность динамическая, C (kN) 264
Грузоподъемность статическая, Co (kN) 173
Ном. частота вращен. при пластич. смазке, n grease (1/min) 3400
Марка стали, Материал ШХ-15
Ном. частота вращен. при жидк. смазке, n oil (1/min) 4000
Диаметр борта наружного кольца, D1(mm) 146.8
Диаметр борта внутреннего кольца, d1 (mm) 115
Радиус фаски, r1, r2 min (мм) 3
Размеры ролика, dxl (мм) 28х28
Количество роликов, N роликов 13
42415 ГОСТ 520

Этот подшипник может быть заменен другими:

Подшипник 62415 — Упорное внутреннее кольцо изъять

Бренд Обозначение
ГПЗ 42415
SKF NJ415
FAG NJ415
NSK NJ415
Товар добавлен в корзину
Перейти в корзину ×